最新资讯
INFORMATION咨询热线
400-699-3869 地址:赣州经济技术开发区恒科产业园26栋二单元5A 
电话:0797-8318138
传真:0797-8318718
邮箱:service@sopchina.com
    
  电话:0797-8318138
传真:0797-8318718
邮箱:service@sopchina.com
2LG720 5.5kw双段式风机
狮歌高压风机特点:
	1外形美观(铝合金外壳)  2压力高   3噪音低   4无油无污染  5环保节能   6体积小 重量轻 易于安装
7无震动 良好稳定的动态平衡 8可连续运转 使用寿命长 9风冷冷却 10易维护
11国家专利技术-- 双侧轴承平衡结构设计。
安装方式:任意安装方式
7无震动 良好稳定的动态平衡 8可连续运转 使用寿命长 9风冷冷却 10易维护
11国家专利技术-- 双侧轴承平衡结构设计。
安装方式:任意安装方式
		狮歌风机2LG720详细参数:
	 
	| 型号 | 频率 HZ | 额定 功率 KW | 输出电压 V | 额定电流 A | 最大排吸 气量m3/h | 额定吸 入压力mbar | 额定排 气压力mbar | 噪音 dB(A) | 重量 kg | 
| 2LG720-7HH16 | 50 | 2.2 | 200-240△ 345-415Y | 9.7/5.6 | 320 | -220 | 210 | 73 | 43 | 
| 60 | 2.55 | 220-275△ 380-480Y | 10.3/6.0 | 380 | -170 | 150 | 76 | ||
| 2LG720-7HH26 | 50 | 3 | 200-240△ 345-415Y | 12.5/7.2 | 320 | -280 | 260 | 73 | 48 | 
| 60 | 3.45 | 220-275△ 380-480Y | 12.6/7.3 | 380 | -230 | 200 | 76 | ||
| 2LG720-7HH37 | 50 | 4.3 | 345-415△ 600-720Y | 10.0/5.2 | 320 | -360 | 380 | 73 | 54 | 
| 60 | 4.8 | 345-415△ 600-720Y | 10.4/6.0 | 380 | -350 | 320 | 76 | ||
| 2LG720-7HH47 | 50 | 5.5 | 345-415△ 600-720Y | 13.3/7.7 | 320 | -440 | 500 | 73 | 66 | 
| 60 | 6.3 | 345-415△ 600-720Y | 13.3/7.7 | 380 | -440 | 500 | 76 | ||
| 2LG720-7HH57 | 50 | 7.5 | 345-415△ 600-720Y | 16.7/9.6 | 320 | -440 | 570 | 73 | 73 | 
| 60 | 8.6 | 345-415△ 600-720Y | 17.3/10.0 | 380 | -460 | 660 | 76 | 
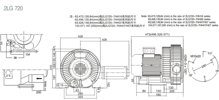
		5.5kw双段式风机尺寸图:
	
狮歌高压风机是由首普国际机电有限公司是专业生产销售,通过SGS认证和CE认证,质量和安全有保障。价格有优势,交货快。
狮歌高压风机应用于塑胶机械,印刷机械,塑料机械,灌装机械,包装机械,中央供料系统,切割系统,PCB设备,电镀生产线,照相制版,电器设备,医疗设备,各式燃烧机,水产养殖业等等。
产品质量保修一年,欢迎大家来电资询狮歌高压风机各种规格价格。
— — 狮歌风机,服务热线:400-699-3869
 
  
         